Download Linki Strona Główna Artykuły     Luty 07 2026 15:22:37  
Nawigacja
Portal
  Strona Główna
  Download
  Artykuły
  Linki
  Szukaj
  Historia Unimoru
  Galeria - Unimor
  Sprzęt Unimor
  Galeria - Inne
  Sprzęt WZT i inni
  Video
  Mapa Serwisu
  Współpraca
  FAQ
  Kontakt

Użytkowników Online
Gości Online: 60
Brak Użytkowników Online

Zarejestrowanych Użytkowników: 1
Nieaktywowany Użytkownik: 0
Najnowszy Użytkownik: @stryker
Losowa Fotka - Unimor
Neptun 629
Neptun 629
Neptun 629
Losowa Fotka - Inne
Lazuryt 106
Lazuryt 106
Lazuryt 106
Ostatnie Artykuły
Czym zastąpić mikrok...
Janusz Łokuć Technik...
Zdalne sterowanie od...
Tele Foto Video '92
Zdalne sterowanie OT...
Odbiorniki telewizyj...
Zanim kupisz telewiz...
Uwagi o konstrukcji ...
Telewizor kolorowy T...
Przeróbka sterownika...
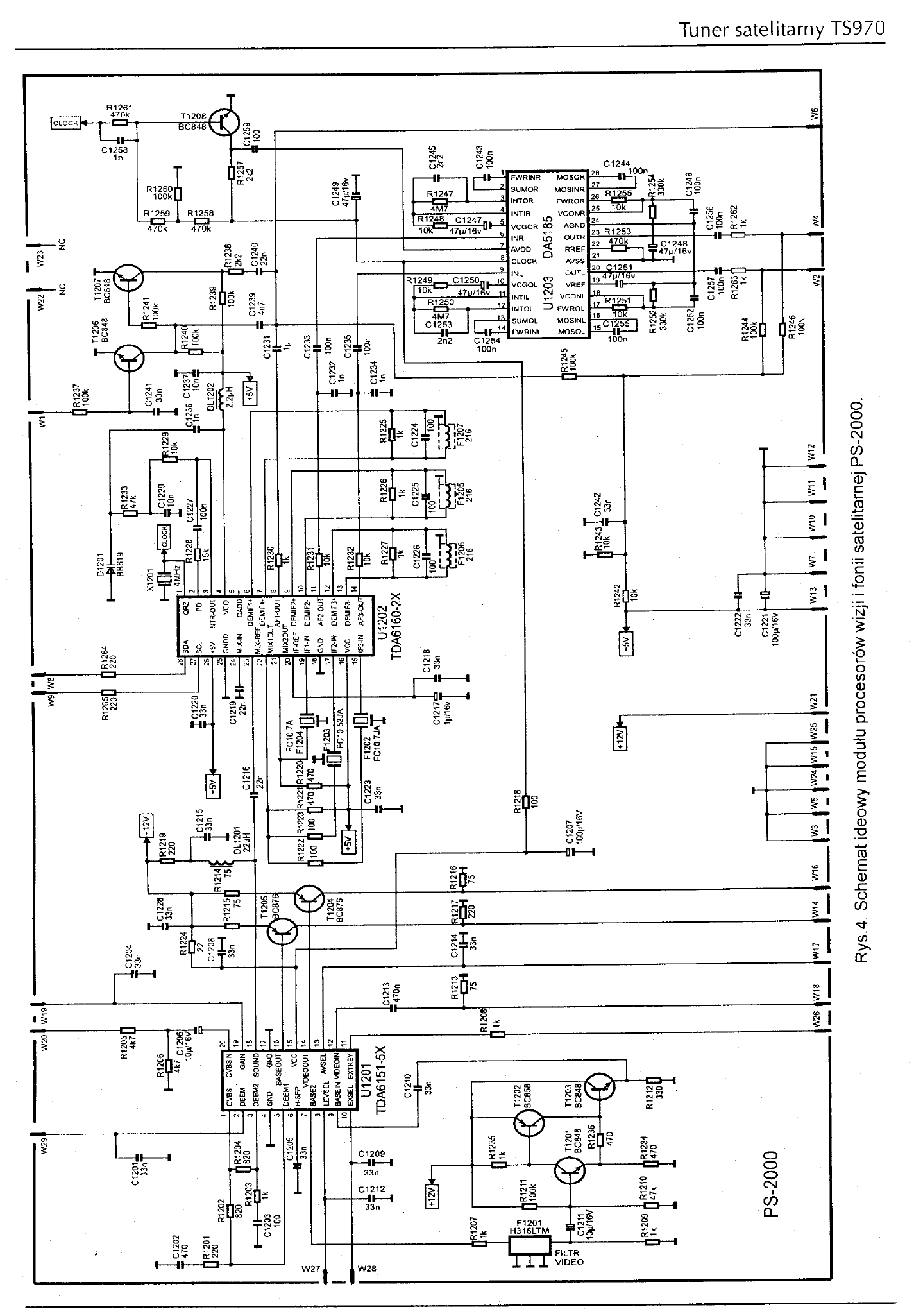
Tuner Satelitarny TS970 cz.1 ,2,3
Tuner Satelitarny TS970 cz.1
SE 6/98
-----------------------------------------------------------
Tuner Satelitarny TS970 cz.1 #1
Tuner Satelitarny TS970 cz.1 #2
Tuner Satelitarny TS970 cz.1 #3
-----------------------------------------------------------
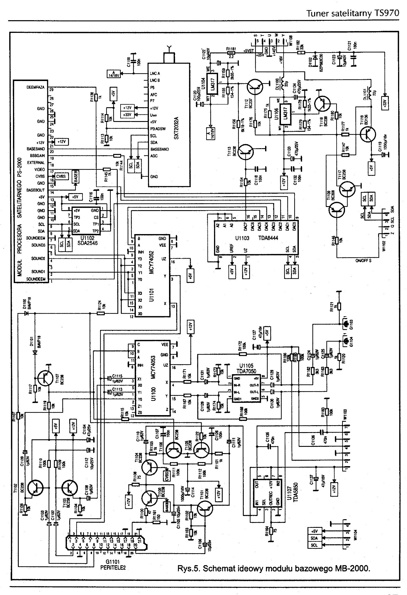
Tuner Satelitarny TS970 cz.2
SE 7/98
-----------------------------------------------------------
Tuner Satelitarny TS970 cz.2 #1
Tuner Satelitarny TS970 cz.2 #2
Tuner Satelitarny TS970 cz.2 #3
-----------------------------------------------------------
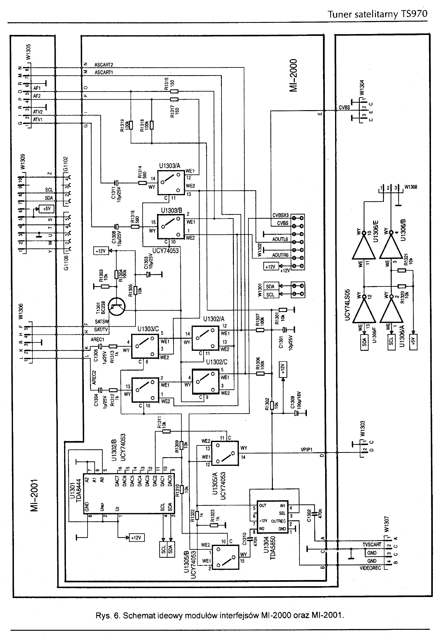
Tuner Satelitarny TS970 cz.3
SE 8/98
-----------------------------------------------------------
Tuner Satelitarny TS970 cz.3 #1
Tuner Satelitarny TS970 cz.3 #2
Tuner Satelitarny TS970 cz.3 #3
Tuner Satelitarny TS970 cz.3 #4
Tuner Satelitarny TS970 cz.3 #5
stryker maj 17 2007 13:34:11 0 ˇ 3497
Komentarze
Brak komentarzy.
Dodaj komentarz
Zaloguj się, żeby móc dodawać komentarze.
Oceny
Dodawanie ocen dostępne tylko dla zalogowanych Użytkowników.

Proszę się zalogować lub zarejestrować, żeby móc dodawać oceny.

Brak ocen.
Reklama

Unimor Radiocom

Elektroda.pl

Jupitel

Trioda

Radioelektronik

Serwis Elektroniki

Logowanie
Nazwa Użytkownika

Hasło

Zapamiętaj mnie



Zapomniane hasło?
Ile Razy Ściągano
Pliki z naszej strony
były ściągane
939994 razy!
Nowe Pliki w Download
I.S. Koral OT 1722 1049
I.S. Szmaragd 90... 1597
I.S. Wawel 2 1638
Schemat Neptun T... 3893
Karta gwarancyjn... 2953
Ulotka Neptun, P... 3296
Karta gwarancyjn... 3049
Karta Gwarancyjn... 3048
I.O. Neptun 427,... 3503
I.O. Pegaz 3146
Film Nefryt 3170
Ulotka - AA 1212 3320
Ulotka - RS 103 4175
Ulotka - RS 6101M 4031
Ulotka - RS 6102 4435
Ulotka - RS 6103 4126
Ulotka - RS 6105M 4052
Ulotka - UD 0199-2 4029
Ulotka - RS 6108 4096
Ulotka - RR-3909-2 3927
     
 
engine: PHP-Fusion v6.01 || kewals theme by: sonar from EP
   Download :: Linki :: Strona Główna :: Artykuły